| Isolated Serial Interfaces Isolating serial interfaces reduces noise and eliminate ground loops. But unlike optocouplers, IsoLoop isolators have unlimited life with no degradation. Reduce board space with up to two channels per MSOP and up to five channels in 0.15" narrow-body SOICs. Illustrative applications are as follows:
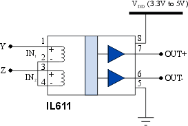
IL600-Series Isolators are ideal for isolating differential signals because you have access to the input coils and do not need input power to drive the signal across the barrier. When the voltage at node Y is greater than the voltage at node Z there is a logic high at the OUT+ node and a low on the OUT- node. Outputs are reversed when the voltage at node Z is higher than the voltage at node Y. Current-limiting resistors can be selected to ensure input coil currents are at least ±5 mA and no more than ±10 ma
IL600-Series Isolators are ideal for isolating differential signals because you have access to the input coils and do not need input power to drive the signal across the barrier. When the voltage at node Y is greater than the voltage at node Z there is a logic high at the OUT+ node and a low on the OUT- node. Outputs are reversed when the voltage at node Z is higher than the voltage at node Y. Current-limiting resistors can be selected to ensure input coil currents are at least ±5 mA and no more than ±10 ma
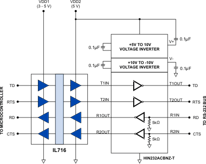
An IL716 provides up to 6 kVrms isolation with a low-cost RS-232 driver such as a Renesas HIN232ACBNZ-T.
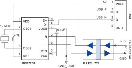
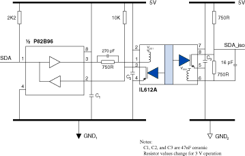
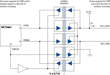
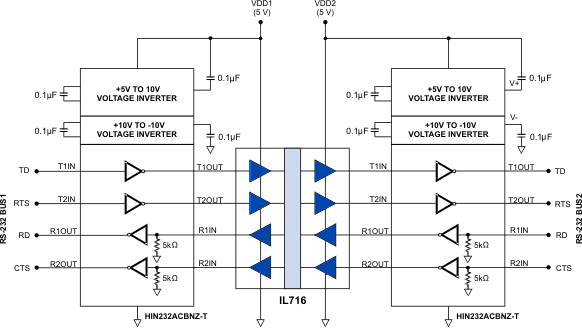
Adding another RS-232 driver to the previous circuit allows a simple isolated repeater. A three-channel isolator and some simple components allow bidirectional isolation of I²C. This circuit provides bidirectional isolation of I²C bus signals with no restrictions on data rate and none of the I²C bus latch-up problems common with other isolation circuits. The SCL section is similar as shown in the schematic using the other half of the P82B96. Isolating the input to a USB controller (rather than the bus lines) requires fewer isolation channels, and is therefore usually the simplest solution as shown in the following illustrative circuit: ![]() The Microchip MCP2200 is a USB 2.0 to UART Protocol Converter. The IL712/IL721 Series are best-in-class bidirectional isolators with a remarkable 100 ps of jitter, and parts are available in unique MSOPs to reduce board space. The IL710s output enable makes it ideal for bidirectional interfaces such as USB. In this illustrative circuit, the directional output (pin 27) of the PLX/NetChip NET2890 transceiver enables the isolator channels in the active direction: ![]() The IL710 is available in a unique MSOP for five channels of isolation on minimal board space.
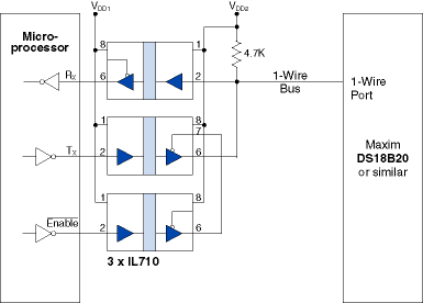
IL710 Isolators are ideal for isolating 1-wire serial busses because they have a high input impedance and an output enable. The top and bottom isolators in the diagram could be combined into one IL712 rather than two IL710s. IL710 and IL712 Isolators are available in MSOP packages for minimum board space.
Isolating a CD transport DAC with an isolated Inter-IC Sound (I²S) bus eliminates ground loops. The IL700-Series isolators' precision edge placement (only 50 ps typical jitter) all but eliminates noise-induced phase error and hum in the analog side of the audio system. |


