| Isolated RS-422/RS-485/PROFIBUS
NVE offers a broad line of single-chip isolated RS-422, RS-485, and PROFIBUS transceivers. IsoLoop logic isolators can also be used as part of multi-chip designs to isolate signals using particular non-isolated transceivers.
Recommended application bulletins:
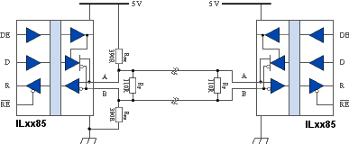
NVEs single-chip isolated RS-485 transceivers include digital- and passive-input versions, fractional-load versions, and PROFIBUS-compliant versions. Termination resistors can be added to maximize speed and transmission length. Fail-safe resistors guarantee a known state on a terminated bus with no active transceivers. NVE transceivers are available with data rates are up to 40 Mbps. Parts are available in 0.3" and 0.15" 16-pin SOIC packages. Faster and longer networks should be be terminated. Reflections are minimized by terminating both ends of the bus but not every node. Two 120 ohm termination resistors (on each end of the bus) are used to match a 60 ohm cable impedance. With terminated networks the differential voltage across the conductor pair will be close to zero with no active drivers. In this case, the idle bus is indeterminate and susceptible to noise. External fail-safe biasing resistors (RFS-EXT) at one end of the bus ensure fail-safe operation with a terminated bus. Biasing should provide at least 200 mV across the conductor pair to meet the RS-485 input sensitivity specification. The more loads on the bus, the lower the required values of the biasing resistors. The reference design has a 120 ohm termination resistor and 560 ohm biasing resistors for fail-safe operation for up to four Unit Loads. NVEs passive-input single-chip isolated RS-485 transceivers allow low-cost repeaters. Parts are available in 0.3" and 0.15" 16-pin SOIC packages.
An IL610 can be used as a simple isolated RS-485/RS-422 receiver. No external resistors are required, and cabling is greatly simplified by eliminating the need to power the input side of the receiving board. The circuit is failsafe because the IL610 is guaranteed to switch to the high state when the coil input current is less than 500 µA. No current-limiting resistor is needed for a single receiver because it will draw less current than the driver maximum. There is also no need for line termination resistors in most IL610 line receiver applications below a data rate of about 10 Mbps because the IL610 coil resistance of approximately 70 Ohms is close to the characteristic impedance of most cables. The IL610
provides 2.5 kVrms isolation (one minute), and 20 kV/µs transient immunity.
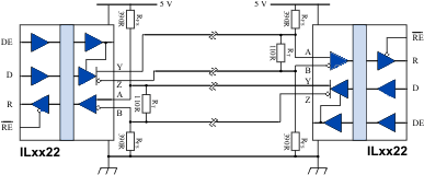
The IL610-1 is a unique MSOP isolator for space-critical boards. NVEs single-chip isolated RS-422 transceivers include digital- and passive-input versions, and fractional-load versions. Termination resistors can be added to maximize speed and transmission length. Fail-safe resistors guarantee a known state on a terminated bus with no active transceivers. NVE transceivers are available with data rates are up to 40 Mbps. Parts are available in 0.3" and 0.15" 16-pin SOIC packages.
This circuit shows a two-receiver RS-422 network using IL610s. Two 17 Ohm current-limiting resistors prevent two IL610 coils from exceeding the maximum load of the transceiver chip. Placement of the current-limiting resistors on both lines provides better dynamic signal balance.
Simple, low cost, isolated repeater systems can be made with an RS-422 transmitter/receiver pair (or an RS-485 transceiver in drive mode) and an IL610. Repeaters can extend the useful cable length and node count indefinitely, provided the network controller can tolerate the additional propagation delays.
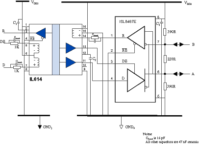
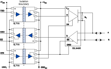
NVE offers a broad line of single-chip isolated RS-485 transceivers, but the unique IL614 three-channel isolator can also be used as part of a multi-chip design with non-isolated transceivers. The IL614 provides 2.5 kVrms isolation (1 minute) and 20 kV/µs transient immunity. The IL614-3 is in a narrow-body (0.15"-wide) package when board space is critical.
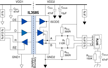
NVE offers the unique IL3685 single-chip isolated PROFIBUS transceiver,
but IL700 high-speed digital signal isolators can also be used as part of multi-chip
designs using non-isolated PROFIBUS transceivers. Circuits can be configured with
three IL710s
(circuit above) or one IL710 and one IL711
(circuit below). The IL710 and IL711 provide 2.5 kVrms isolation (1 minute)
and 30 kV/µs typical common-mode transient immunity. The
|
RS-485
Tips (04:03)




