| Isolated
ADCs and DACs and Serial Peripheral Interface (SPI) Isolating ADCs and DACs eliminates ground loops and reduces noise. Compared to other isolators, IsoLoops
Isolators minimize signal distortion with typical propagation delay of 10 ns
and jitter of 100 ps. Reduce board space with up to five channels in 0.15"
or 0.3"-wide SOICs. Illustrative circuits:
Recommended application bulletins:
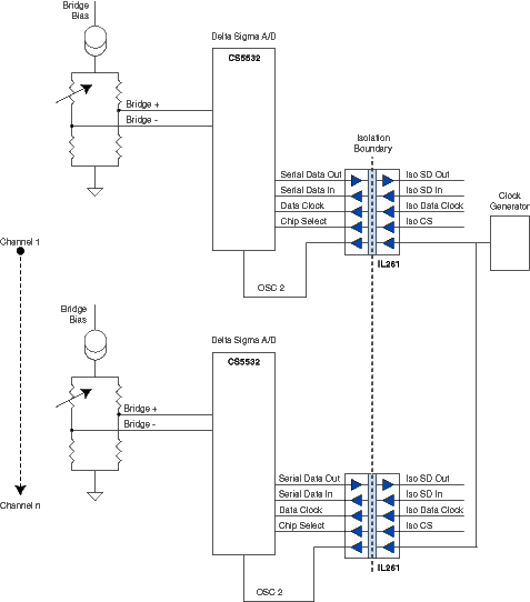
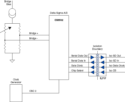
This circuit illustrates a typical single-channel delta-sigma isolated ADC SPI interface. The ADC is located on the bridge with no signal conditioning electronics between the bridge sensor and the ADC. The IL717 isolates the control bus from the microcontroller and the system clock is located on the isolated side of the system. Multi-Channel Isolated Sampling A/D Converter Using IL261 The IL261 is ideal for isolating multi-channel sampling ADCs. Isolated channels A0 and A1 control the analog channel being sampled, while the three remaining I/O lines on the IL261 isolate the SPI interface. Multi-Channel Isolated SPI Delta-Sigma A/D Converter Using IL261s
This circuit illustrates multiple ADCs configured in a channel-to-channel isolation configuration. The problem for designers is how to control clock jitter and edge placement accuracy of the system clock for each ADC. The best solution is to use a single clock on the system side and distribute this to each ADC. The IL261 adds a fifth channel to the IL717. This fifth channel is used to distribute a single, isolated SPI clock to multiple ADCs.
A multi-channel sampling system with separate A/D cells. The IL262 is used to control the SPI lines and send back ADC BUSY commands to the host, allowing efficient interrupt-driven sampling. The BUSY line may also be used as a frame synchronization signal in video applications. The IL515 four-channel isolator is ideally suited for parallel bus isolation. The circuit above uses three IL515s to isolate a 12-bit DAC. The unique SYNC function allows the internal clock to be shut off, eliminating the small amount of noise associated with this clock. A reset pulse is applied at power-on to ensure correct data on the isolator outputs. After the reset pulse goes high, data transfer from input to output is initiated by the leading edge of each changing data bit. Isolation ensures the best DAC performance by eliminating much of the digital noise that tends to find its way onto the analog output. The unique five-channel IL260 isolator series allows ten channels of isolation with just two narrow-body or wide-body ICs. |
IL700-Series
