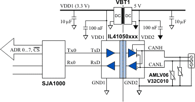
| Isolated Controller Area Network (CAN) In today's CAN networks, node-to-node isolation is increasingly recommended by designers to reduce EMI susceptibility, especially in high-speed applications. The speed of IsoLoop Isolators minimizes CAN loop delay to maximize data rate over any given bus length. NVE offers single-chip isolated CAN transceivers and bidirectional isolators for use with stand-alone CAN transceivers. Illustrative applications are as follows: Isolated CAN Transceiver Reference Design Designed for harsh CAN and DeviceNet environments, IL41050xxx transceivers have a -55 to +125 C operating range, transmit data dominant time-out, bus pin transient protection, thermal shutdown protection, and short-circuit protection. Unique edge-triggered inputs improve noise performance. An innovative non-volatile programmable power-up feature prevents unstable nodes. A state that needs to be present at node power up can be programmed at the last power down. For example if a CAN node is required to pulse dominant at power up, TxD can be sent low by the controller immediately prior to power down. When power is resumed, the node will immediately go dominant allowing self-check code in the microcontroller to verify node operation. If desired, the node can also power up silently by presetting the TxD line high at power down. At the next power on, the IL41050xxx will remain silent, awaiting a dominant state from the bus. Isolating Standard
CAN Transceivers This
simple circuit works with any CAN transceiver with a TxD dominant timeout, which
includes all of the current-generation transceivers including the AMIS-30660 or the Philips/NXP
TJA1050. Propagation delay is critical for CANbus, and the IL712 and IL721 bidirectional
isolators have best-in-class propagation delay of 10 ns typical. This minimizes
CAN loop delay and maximizes data rate over any given bus length, making IsoLoop
Isolators ideal for CAN isolation. NVE also offers the smallest two-channel isolator,
the IL712-1, in a unique MSOP-8. Isolating Legacy CAN Transceivers
Power-on
reset circuitry allows an IL712 or IL721 to isolate legacy transceivers without
integrated TxD timeout, such as the Philips/NXP PCA82C250. |

