In addition to 2,500 Vrms input-to-output withstand voltage, the IL600 series of IsoLoop isolators provide outstanding isolation of 400 Vrms between adjacent channels. These unique devices allow very simple channel separation in industrial process control applications, especially PLCs, where the reference ground of each channel may be different. The data line is powered by the signal, so no input power supply is required. With two channels available in the tiny MSOP footprint, more functionality can be crammed into a smaller space without sacrificing channel-to-channel or ground-to-ground isolation.
NVE offers the industry's broadest line of single-chip isolated
RS-485 transceivers, including digital- and passive-input versions, fractional-load
versions, and PROFIBUS-compliant versions. Termination resistors can be
added to maximize speed and transmission length. Fail-safe resistors guarantee
a known state on a terminated bus with no active transceivers. NVE transceivers
are available with data rates are up to 40 Mbps. Parts are available
in 0.3" and 0.15" 16-pin SOIC packages.
An IL610 can be used as a simple isolated RS-485/RS-422 receiver. No external resistors are required, and cabling is greatly simplified by eliminating the need to power the input side of the receiving board. The circuit is failsafe because the IL610 is guaranteed to switch to the high state when the coil input current is less than 500 µA. No current-limiting resistor is needed for a single receiver because it will draw less current than the driver maximum. There is also no need for line termination resistors in most IL610 line receiver applications below a data rate of about 10 Mbps because the IL610 coil resistance of approximately 70 Ohms is close to the characteristic impedance of most cables. The IL610 provides 2.5 kVrms isolation (one minute), and 20 kV/µs
transient immunity. The IL610-1 is a unique MSOP isolator for space-critical
boards. NVEs single-chip isolated RS-422 transceivers include digital- and passive-input versions, and fractional-load versions. Termination resistors can be added to maximize speed and transmission length. Fail-safe resistors guarantee a known state on a terminated bus with no active transceivers. NVE transceivers are available with data rates are up to 40 Mbps. Parts are available in 0.3" and 0.15" 16-pin SOIC packages.
This circuit shows a two-receiver RS-422 network using IL610s. Two 17 Ohm current-limiting resistors prevent two IL610 coils from exceeding the maximum load of the transceiver chip. Placement of the current-limiting resistors on both lines provides better dynamic signal balance.
Simple, low cost, isolated repeater systems can be made with an RS-422 transmitter/receiver pair (or an RS-485 transceiver in drive mode) and an IL610. Repeaters can extend the useful cable length and node count indefinitely, provided the network controller can tolerate the additional propagation delays.
NVE offers a broad line of single-chip isolated RS-485 transceivers, but the unique IL614 three-channel isolator can also be used as part of a multi-chip design with non-isolated transceivers. The IL614 provides 2.5 kVrms isolation (1 minute) and 20 kV/µs transient immunity. The IL614-3 is in a narrow-body (0.15"-wide) package when board space is critical.
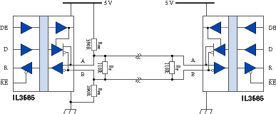
NVE offers the unique IL3685 single-chip isolated PROFIBUS transceiver, but
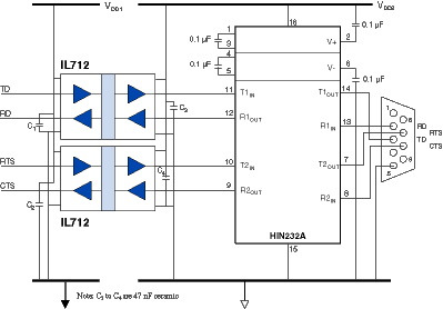
IL700 high-speed digital signal isolators can also be used as part of multi-chip
designs using non-isolated PROFIBUS transceivers. Circuits can be configured
with three IL710s (circuit above) or one IL710 and one IL711 (circuit below).
The IL710 and IL711 provide 2.5 kVrms isolation (1 minute) and 30 kV/µs
typical common-mode transient immunity. The
Single-Chip Isolated CAN Transceiver The L41050 single-chip isolated CAN transceiver provides an isolated CAN interface in a single chip. Designed for harsh CAN and DeviceNet environments, the transceivers have a -55 to +125°C operating range, transmit data dominant time-out, bus pin transient protection, thermal shutdown protection, short-circuit protection, 2,500 volt isolation, and typical transient immunity of 30 kilovolts per microsecond. Unique edge-triggered inputs improve noise performance. Isolating Standard CAN Transceivers This simple circuit works with any CAN transceiver with a TxD dominant timeout, which includes all of the current-generation transceivers including the ubiquitous Philips/NXP TJA1050. Propagation delay is critical for CANbus, and the IL712 and IL721 bidirectional isolators have best-in-class propagation delay of 10 ns typical. This minimizes CAN loop delay and maximizes data rate over any given bus length,
making IsoLoop Isolators ideal for CAN isolation. NVE also offers the smallest two-channel isolator, the IL712-1, in a unique MSOP-8.
Power-on reset circuitry allows an IL712 to isolate legacy transceivers that lack TxD integrated TxD timeout, such as the Philips/NXP PCA82C250.
IL600-Series Isolators are ideal for isolating differential signals because you have access to the input coils and do not need input power to drive the signal across the barrier. When the voltage at node Y is greater than the voltage at node Z there is a logic high at the OUT+ node and a low on the OUT- node. Outputs are reversed when the voltage at node Z is higher than the voltage at node Y. Current-limiting resistors can be selected to ensure input coil currents are at least ±5 mA and no more than ±10 mA.
IL712s provide 2.5 kVrms isolation (1 minute) and 30 kV/µs typical common-mode transient immunity. The IL712-1 is a unique MSOP dual-channel isolator to minimize board space. This circuit provides bidirectional isolation of I²C bus signals with no restrictions on data rate and none of the I²C bus latch-up problems common with other isolation circuits. The SCL section is similar as shown in the schematic using the other half of the P82B96.
In this illustrative circuit, power is supplied by USB bus power on one side of the isolation barrier, and the USB nodes external supply on the other side of the barrier. IL700-Series Isolators are specified at just 3 ns worst-case pulse width distortion. The IL700s provide 2.5 kVrms isolation (1 minute) and 30 kV/µs typical common-mode transient immunity.
Isolating a CD transport DAC with an isolated Inter-IC Sound (I²S) bus eliminates ground loops. The IL700-Series isolators' precision edge placement (just 100 ps jitter) all but eliminates noise-induced phase error and hum in the analog side of the audio system. This circuit illustrates a typical single-channel delta-sigma isolated ADC SPI interface. The ADC is located on the bridge with no signal conditioning electronics between the bridge sensor and the ADC. The IL717 isolates the control bus from the microcontroller and the system clock is located on the isolated side of the system. The IL261 is ideal for isolating multi-channel sampling ADCs. Isolated channels A0 and A1 control the analog channel being sampled, while the three remaining I/O lines on the IL261 isolate the SPI interface.
This circuit illustrates multiple ADCs configured in a channel-to-channel isolation configuration. The problem for designers is how to control clock jitter and edge placement accuracy of the system clock for each ADC. The best solution is to use a single clock on the system side and distribute this to each ADC. The IL261 adds a fifth channel to the IL717. This fifth channel is used to distribute a single, isolated SPI clock to multiple ADCs.
A multi-channel sampling system with separate A/D cells. The IL262 is used to control the SPI lines and send back ADC BUSY commands to the host, allowing efficient interrupt-driven sampling. The BUSY line may also be used as a frame synchronization signal in video applications. The IL515 four-channel isolator is ideally suited for parallel bus isolation. The circuit above uses three IL515s to isolate a 12-bit DAC. The unique SYNC function allows the internal clock to be shut off, eliminating the small amount of noise associated with this clock. A reset pulse is applied at power-on to ensure correct data on the isolator outputs. After the reset pulse goes high, data transfer from input to output is initiated by the leading edge of each changing data bit. Isolation ensures the best DAC performance by eliminating much of the digital noise that tends to find its way onto the analog output. The unique five-channel IL260 isolator series allows ten channels of isolation with just two narrow-body or wide-body ICs.
A typical primary-side controller uses a IL511, IL611, or IL711 isolator to drive the synchronous rectification signals from primary side to secondary side. IsoLoop pulse-width distortion as low as 0.3 ns typical minimizes MOSFET dead time and maximizes system efficiency. Ultra-small isolator packages (including two-channel MSOP-8s), allow the designer to squeeze more into less board area.
An IL711 isolates the PWM Controller from the MOS gate driver for synchronous rectification. IsoLoop pulse-width distortion as low as 0.3 ns and 100 ps jitter improves precision, minimizes MOSFET dead time and maximizes system efficiency. The IL711V-1E provides two-channels and full 2.5 kV isolation in an ultraminiature MSOP-8 package, allow the designer to squeeze more into less board area. The wide-body IL711VE provides 5 kV isolation and best-in-class 1 kV Working Voltage in a true 8 mm creepage package.
The fail-safe output (logic high output for zero coil current) of IL600 Isolators ensures the power FETs will be off on power-up. The IL600 inputs can be configured for inverting or non-inverting operation (see IL600 Product Data Sheet). The IL600 Isolators provide 2.5 kVrms isolation (1 minute), and 20 kV/µs transient immunity.
The wide input voltage range of IL600 Isolators allow connection to line voltage through current-limiting resistors. In this illustrative circuit, "Monitor Out" goes low when line voltage exceeds approximately 100 V, and high when line voltage drops below approximately 10 V. This circuit provides 2.5 kVrms isolation and 20 kV/µs transient immunity.
IL600A Isolators' open-drain outputs can be wire-OR connected. A very wide input voltage range is possible, and inputs can be configured for inverting or non-inverting operation (see IL600A Product Data Sheet). This illustrative circuit provides fail-safe output (logic high output for zero coil current), 2.5 kVrms isolation, and 20 kV/µs transient immunity. Typical logic output sink current is 10 mA for each isolator. Unlike optocouplers, IsoLoop Isolators do not degrade over time and have unlimited life. | |||||||||||||||||||||||||||||||||||||||||||||||||||||||||||||||||||||||||||||||||||






