Sensor and Isolator News, 4/14/26
In This Issue
   • Industrial Interface IC
   • Float Level Sensor
   • Biosensor Paper
   • NVE Growth
   • Tradeshows


DB002-02EIndustrial Interface IC

Our new and improved DB002-02E provides a robust interface for capacitive, inductive, magnetic, and photoelectric sensor proximity or position sensors. It is ideal for 24 V industrial networks such as EtherNet/IP, PROFINET/PROFIBUS, Modbus TCP/IP, RTU, IO-Link, and DeviceNet.

Key features include:
   • High current source or sink outputs, up to 300 mA continuous; 1 A short-circuit current
   • Short circuit, reverse battery, transient, and thermal protection circuitry
   • Integrated LED driver
   • 6.2 to 30 V supply range
   • On-chip voltage regulator
   • -40 to +170°C temperature range
   • Fast 50 kHz switching speed
   • SOIC8 package or 1.89 x 2.85 mm bare die

The IC uses a high-temperature BiCMOS process. Combining the high-speed, high-gain, and high-current drive capabilities of bipolar transistors with the low power consumption, high input impedance, and high packing density of CMOS enables a rugged, compact solution.

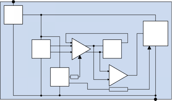
DB00x Schematic
 
The new parts are in stock and available for same-day shipment, with no minimum order.

Download the datasheet »


Evaluation Board
The 3.5 x 2 inch (89 x 51 mm) evaluation board includes DB002-02E ICs and the required capacitors, header blocks, 0.1-inch headers (uninstalled), footprints for a pullup or pulldown resistor, and footprints for an LED. The board also includes a card-edge connector for rapid prototyping.

DB002 EVB
 
Buy DB002-02E ICs Buy DB002-02E Evaluation Boards
Buy Online Buy Online

Demonstration Video
This video shows the DB002's rugged power handling:

DB002 demonstration
 
 
Sensor Reference Design Corner
Robust Ultrasensitive Float Level Sensor

NVE's DB002-02E industrial interface IC can be used with the ADT501-10E, the world's most sensitive off-axis rotation sensor. The ADT501-10E is commonly used for battery-powered IoT smart meters, but it is also suitable for harsh industrial environments when paired with a DB002-02E.
 

ADT501-10E ICs have digital CMOS outputs, so a pullup or pulldown resistor is unnecessary. While the ADT501-10E can drive a high-efficiency LED directly with 100 µA, the DB002-02E can drive LEDs at the full 2 ma test current.

ADT501/DB002 Reference Design

In this circuit, the DB002-02E is configured to provide a PNP interface by tying the Sink Output to Vcc, which can be from 6.2 to 30 V. The continuous output current can be up to 300 ma to drive relays, actuators, solenoids or small motors.

The ADT501-10E can be used for rotation sensing in a variety of configurations using diametrically-magnetized two-pole magnets or multipole magnets.

But in this video, we demonstrate a float level sensor using a conventional axially magnetized two-pole magnet and the ADT501-10E as an ultrasensitive sensor:
 

Float level sensor demonstration


Independent Papers

A recent independent paper in Sensors and Actuators A: Physical describes a high sensitivity, low noise, low power, small biosensor using an NVE ALT025 TMR analog sensor:

Biosensor Figure
Link to paper »

More independent papers »

 

NVE Growth Recognized

MSPBJ 2026 plaque  NVE climbed from number 63 to 61 on the Business Journal's list of Minnesota's
  largest public companies, published April 2, 2026.



 

Upcoming Tradeshows
Sensors ConvergeSee the sensor interface ICs highlighted in this newsletter, plus NVE's unique line of magnetometers, magnetic switches, and current, angle, and encoder sensors at Sensors Converge, May 5 to 7 in Santa Clara, Calif., booth 607.

COMPUTEXNVE distributor MITS Component & System Corp. will exhibit at COMPUTEX June 2 to 5 in Taipei, Taiwan, booth K1231. We'll feature NVE's unique isolators for communications and industrial networking.

Sensor+TestSee NVE's unique line of magnetometers, magnetic switches, and current, angle, and position sensors at Sensors+Test, June 9 to 11 in Nurnberg, Germany, booth 1-519.
Quick Links
Buy Direct from NVE

Sensor Selector Guide

Isolator Selector Guide

Contact Us
New Videos
Off-Axis, Wide Air-Gap Motor Control
Omnidirectional Sensor Position in Three Axes
Ultrasensitive Magnetic Float Level Sensor
Robotic Gripper Control with Legos
Motor Angle Control with Legos
Off-Axis Angle Sensing with Legos
X YouTube LinkedIn GitHub Subscribe